L Bracket Design Calculation at Design

Best design Tips and References website . Search anything about design Ideas in this website.

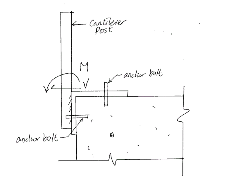
L Bracket Design Calculation. Click the 3d samples dropdown. Discrepancy between adopted design calculation and test result for anchorage capacity comparison design calculation and test result for different bracket lengths in kerf anchor traditional design calculation l = bracket length ed = bracket embedment tf = kerf thickness at failure side assumed failure area a1 = 0.5 x (2 x ed + tf) x tf / cos45 o

Angle Bracket Horizontal Load Heel Toe YouTube
Angle Bracket Horizontal Load Heel Toe YouTube from www.youtube.com

Physical and mechanical properties ultimate tensile strength, psi 45,000 yield strength, psi 40,000 brinell. Design a bolted connection between a bracket 8 mm thick and the flange of an ishb 400 column using hsfg bolts, so as to carry a vertical load of 100 kn at a distance of 200 mm from the face of the column as shown in fig. Enter the desired parameters and click ok.

Angle Bracket Horizontal Load Heel Toe YouTube

This leads to shape of side closed l bracket, dimension of the bracket. Thickness can be manipulated by how you calculate the moment of inertia of the l bracket. In the workspace, add desired custom features as needed. Hi, i am a computer engineer who may be in a little over my head in producing my own brackets for a shelving project i am working on.